Temperatuuriandurid
Temperatuur on füüsikaline suurus, mis iseloomustab süsteemi või keha soojuslikku olekut. Temperatuuri mõõtmiseks kasutatakse väga erinevat laadi andureid ja mõõtmise põhimõtteid. Olgu see siis kraadiklaas või termomeeter meie koduses majapidamises. Nii on nõuded temperatuuri mõõtmiseks meditsiiniseadmetes, tööstuslikes sulatusahjudes, ventilatsioonisüsteemides, liiklusvahendites või keemilistes protsessides väga erinevad. Iga mõõtekeskkond esitab omad nõuded ja tingimused mõõtetäpsusele, kinnitusviisile, anduri materjali keemilisele vastupidavusele, vibratsioonile, löökidele, plahvatusohu vältimiseks ja lõputul hulgal muudele parameetritele.
Tööstuslikes seadmetes, masinates ja protsessides on meil enamasti vajadus andurit kaitsta. Varustada ja paigaldada andur sellisesse korpusesse, et see oleks piisavalt hästi kaitstud, kuid võimaldaks siiski saavutada vajaliku mõõtetäpsuse ja paljudel juhtudel ka mõõtekiiruse. Tööstuses on temperatuuri mõõtmiseks kõige enam levinud takistuslikud termomeetrid, termopaarid, ja kontaktivabad püromeetrid.
Takistuslike termomeetrite töö baseerub faktil, et anduri materjali elektriline takistus muutub sõltuvalt temperatuurist. Andurite materjalid, mille puhul elektriline takistus suureneb temperatuuri tõustes, nimetatakse rahvusvaheliselt PTC anduriteks (Positive Temperature Coefficient) ja neil, mille takistus temperatuuri tõustes langeb NTC anduriteks (Negative Temperature Coefficient).

Temperatuuriandur Pt 100
PTC anduritest on praktikas kõige enam kasutusel Pt100 andur.
Temperatuuri mõõtmine õnnestub kõige täpsemalt plaatinaandurite abil. Pt100 anduri takistus temperatuuril 0 °C on 100 Ω, Pt25 ja Pt1000 anduritel vastavalt 20 Ω ja 1000 Ω. Plaatinaandurid on väga stabiilsed, vabalt vahetatavad (alati võib paigaldada teise anduri) ja korrosioonikindlad. Mõõtmine põhineb asjaolul, et plaatina elektriline takistus muutub proportsionaalselt temperatuuriga.
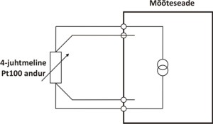
Pt100 andurite ühendamine.
Pt100 anduritega temperatuuri mõõtmine on võimalik tänu plaatina takistuse muutumisele (takistus temperatuuril 0°C on 100 oomi). Kuivõrd ühendusjuhtmetel on samuti teatud takistus, siis Pt100 andurite ühendamisel kasutatakse juhtme takistusest põhjustatud mõõtevea kompenseerimiseks täiendavaid ühendusjuhtmeid. Mida pikem on juhe, seda suurem on selle juhtme takistus. Seega lühemate juhtmete korral kasutatakse 2-juhtmelist ühendust, pikemate juhtmete korral 3- või 4-juhtmelist ühendust.
Pt100 andurite täpsus.
Pt100 andurite täpsus on määratud Eesti Vabariigi standardiga EVS-EN IEC 60751:2022.
Selle kohaselt on plaatina takistuslikud temperatuuriandurid jaotatud nelja täpsusklassi.
| AA | +/- 0.1°C temperatuuril 0°C |
| A | +/- 0.15°C temperatuuril 0°C |
| B | +/- 0.3°C temperatuuril 0°C |
| C | +/- 0.6°C temperatuuril 0°C |
|
|
|
![]() |
![]() |
Takistuslike termomeetrite pikema tehnilise kirjelduse ja gradueerimistabelid leiate meie lehe rubriigist takistuslike termomeetrite kirjeldus.
Termopaarid
Termopaarid põhinevad kahe erineva metalli (sulami) vahelisel elektritjuhtival ühendusel. Ühenduspunktis tekib temperatuurist olenev kontaktpotentsiaal. Selle kontakt- ehk termopotentsiaali suurus oleneb temperatuuride erinevusest ühenduspunkti (mõõtepunkti) ning lahtiste otste (ühenduspistiku) vahel. Otsad tuleb ühendada mõõteseadmega termopaari metallidega identsest sulamist (termokaabli) või termopaari juhtmetega sarnaste omadustega sulamist (kompensatsioonikaabli) juhtmetega.

Kuna mõõteriista klemmide materjal on üldjuhul erinev termopaari sulami materjalidest, siis tekib juhtmete ja mõõteseadme ühenduspunktis külmliide. Enamik termopaaride sisendiga mõõteriistu, näiteks kontrollerid, näidikud või registreerimisseadmed, on juba varustatud vastava külmliite kompensatsiooniskeemiga. Termopaaride tähistamiseks kasutatakse värve. Erinevad standardid käsitlevad termopaare pisut erinevalt. Näiteks rahvusvahelise IEC 584 standardi järgi on J-tüüpi termopaari juhtmed must ja valge.
Termopaaride pikema tehnilise kirjelduse ja gradueerimistabelid leiate meie lehe rubriigist termopaaride kirjeldus.

