Enkoodrid
| Tutvustus |
|
|
| Impulsiandurite (i.k. encoder) peamine kasutusala on pikkuse, positsiooni, kiiruse või pöördenurga mõõtmine. Impulsiandur muundab mehaanilise liikumise elektriliseks signaaliks, mille järgi võime neid jagada inkrementaal- ja absoluutanduriteks. |
| Tööpõhimõte |
|
|
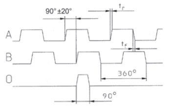
| Inkrementaalandurid genereerivad impulsse, mille arv määrab mõõdetava kiiruse, pikkuse või positsiooni. Absoluutanduri puhul vastab igale positsioonile kindel ja unikaalne numbriline kood, mille väärtus püsib ka pinge kadumisel muutumatuna. Seetõttu võimaldab absoluutanduri kasutamine määrata tegelikku asukohta isegi peale voolukatkestust. Tööstuslike andmeside võrkude väga laialdase arenguga on absoluutandurid saadaval SSI, BiSS-C, Profibus DP, CANOpen, DeviceNet, EtherCAT, ProfiNET liidestega. Algselt valmistati absoluutandureid vaid numbrikoodiga ühele pöördele. Tänases valikus pakume nii ühepöördelisi kui ka mitmepöördelisi absoluutandureid. Maksimaalne resolutsioon kuni 17+24 bitti. |
 |
 |
 |
| Inkrementaalandur |
Absoluutandur |
| |
|
|
| Konstruktiivselt jaotatakse impulsiandurid võlliga anduriteks ja õõnesavaga anduriteks. Võlliga anduri korral peab mõõdetava süsteemiga ühendamiseks kasutama vahemuhve, mõõterattaid või muid sõlmi. Õõnesavaga andur paigaldatakse vahetult pöörlevale võllile. Seega õõnesavaga andurite kasutamisel saab kokku hoida hinnas kuni 30% ja ruumi kuni 50% võrreldse võlliga anduriga. Kokkuhoid tekib sellest, et puudub vajadus lisatarvikute kasutamiseks. Õõnesavaga anduri paigaldamiseks piisab vaid selle kinnitamisest võllile ja fikseerimiseks tihvti abil. |
 |
|
 |
| Võlliga andur |
|
Õõnesavaga andur |