DW-AS-623-M8-001
| Application Type |
Standard |
| Rated operating distance sn |
2 mm |
| Mounting |
Embeddable |
| Hysteresis |
≤ 20 % sr (10 % typ.) |
| Repeat accuracy norm |
≤ 5 % sr |
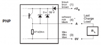
| Supply voltage range UB |
10 … 30 VDC |
| Permissible ripple content |
≤ 20 % UB |
| Output current |
≤ 200 mA |
| Voltage drop |
≤ 2 V |
| No-load supply current |
≤ 10 mA |
| Off-state current |
≤ 0.1 mA |
| Switching frequency |
≤ 5000 Hz |
| LED |
Built-in |
| Andmeside |
I/O-Link |
| Ambient temperature range TA |
-25 ... +70 °C |
| Temperature drift of sr |
≤ 10 % |
| Short-circuit protection |
built-in |
| Polarity reversal protection |
Built-in |
| Power on reset |
Built-in |
| Degree of protection |
IP 67 |
| Housing material |
Stainless-steel V2A |
| Connection |
Connector S8 |