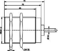
DW-AD-603-M50-300 Kirjeldus/Tehnilised andmed Tootepildid Allalaadimine Päring Rakenduse tüüp: Kõrge temperatuur Tunnistuskaugus: ≤ 20 mm Toitepinge: 10 … 30 VDC Väljundvool: ≤ 150 mA Lülitussagedus: ≤ 100 Hz Klimaatilised tingimused: 0 … +180 ⁰C Kaitseklass: IP 67 Korpuse materjal: Roostevabateras V2A mõõdud http://old.contrinex.com/download/pdf/products/HT_600-M50.300.pdf E-mail * Päringu saatmiseks sisestage andmed kõrvalolevasse vormi Saada