DW-AS-633-M30-002
| Application Type |
Standard |
| Rated operating distance sn |
25 mm |
| Mounting |
Non-embeddable |
| Hysteresis |
< 20 % sr |
| Repeat accuracy norm |
0,75 mm |
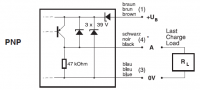
| Supply voltage range UB |
10 … 30 VDC |
| Permissible ripple content |
≤ 20 % UB |
| Output current |
≤ 200 mA |
| Voltage drop |
≤ 2 V |
| No-load supply current |
≤ 10 mA |
| Off-state current |
≤ 0.1 mA |
| Switching frequency |
≤ 200 Hz |
| LED |
Built-in |
| Andmeside |
I/O-Link |
| Ambient temperature range TA |
-25 ... +70 °C |
| Temperature drift of sr |
≤ 10 % |
| Short-circuit protection |
built-in |
| Polarity reversal protection |
Built-in |
| Power on reset |
Built-in |
| Degree of protection |
IP 67 |
| Housing material |
Chrome-plated brass |
| Connection |
Connector S12
|