Optiline 2420
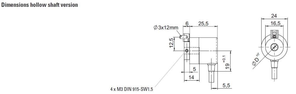
Optilisel anduritehnoloogial baseeruvate miniatuursete inkrementaalandurite 2400/2420 resolutsioon on ühe pöörde kohta kuni 1024 impulssi.
Usaldusväärne
- Jõuline laagrikonstruktsioon
- Väga vastupidav kaabli väljaviik
- Lühisekindlad väljundid
Mitmekülgne
- Sobib ideaalselt väikestesse seadmetesse
- Vastab raudtee standardile EN 50121
