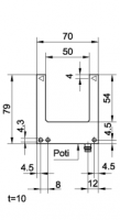
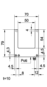
FGL 50-R-PSM3 Kirjeldus/Tehnilised andmed Tootepildid Allalaadimine Päring Sensopart http://www.standel.ee/files/Sensopart_pdf/fgl_def.pdf E-mail * Päringu saatmiseks sisestage andmed kõrvalolevasse vormi Saada